新闻资讯

主控芯片CPUFPGA存储及单粒子翻转科普

  每一次神舟载人飞船和SpaceX卫星的发射升空,都能吸引众多人关注。对于这些神秘的航天飞信器,你知道它们的信息都是怎么处理的吗?航天飞行器信息的处理依靠/FPGA,而指令的执行则凭借存储器。目前市场上大多数售卖主芯片的厂商都是靠存储器起家的。Excelpoint世健公司的工程师Wolfe Yu在此对存储的分类以及它们各自的优劣进行了科普介绍。

  半导体存储器是一种能存储大量二进制信息的半导体器件,半导体存储器种类很多,一般按功能来分,可以分为只读存储器(ROM)和随机存储器(RAM)。

  ROM结构简单,断电以后数据还保留着;重新上电,读出来的数据还能恢复成原来的样子。

  只读存储器主要分为掩膜存储器、可编程存储器(PROM)、电可擦写可编程存储器(EEPROM)和Flash等等。

  掩膜只读存储器:定制产品,按照用户要求来,内部数据在出厂时就被设定好,后续无法修改。

  可编程只读存储器:也叫“反熔丝”,比掩膜存储器高级点,出厂时可以烧写一次,但如果烧错了,只好作废换下一个。

  EEPROM(E2PROM):为了重复利用,这代产品首先研究了第一代通过紫外线擦除的EPROM产品。这代产品是将电荷通过浮栅雪崩注入MOS管(FAMOS)、或者叠栅雪崩注入MOS管(SIMOS),通过雪崩效应编程。这种产品擦出复杂,而且擦写速度很慢。

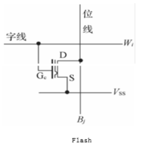
  后来经过改良升级,改采用浮栅隧道氧化层MOS管注入,取名“EEPROM”,也称作“E2PROM”。为了提高擦写可靠性,并保护隧道氧化层,EEPROM还会再加一个选通管。程序读写时,主要通过字线和位线施加脉冲来实现操作。

  快闪存储器Flash是在EPROM和EEPROM的基础上做了一些改进,它采用一种类似于EPROM的单管叠栅结构的存储单元,只用一个单管来实现。

  快闪存储器Flash的结构与EPROM的SIMOS管类似,主要差异为浮栅与衬底氧化层的厚度不同,下图是一个Flash的叠栅MOS管结构。

  快闪存储器究竟是怎么保存数据的呢?Flash擦写是通过改变浮栅上的电荷来实现的。写入时,漏极经过位线接正压,并将衬底接地,在字线V),源级和漏极之间会发生雪崩击穿,部分电子会穿过氧化层到达浮栅,形成浮栅充电电荷。

  擦除即是将电子从浮栅移出来实现。擦除时,将字线接地,同时,在P阱和N衬底上偏置一个正的脉冲高电压(约20V)。这时,浮栅上面的电荷又会通过隧道效应被移出。

  读取Flash时,一般在字线V),源级接地,当浮栅上存在电荷时,MOS管截止,输出1状态信号。反之,浮栅上没有电荷,MOS管导通,输出0状态信号。

  快闪存储器的本质是存储阵列,通过对浮栅上的电荷与字线逻辑电平作比较来判断的。以Nor Flash为例。按照正常的工作方法,字线V);字线不工作,通常是悬空或者输入0V电平。

  正常情况,当字线不工作时,无正常逻辑(3.3V或5V)施压到栅极,不论浮栅上有无电荷,MOS管都要求截止。

  如果Flash出现过擦除,这时,浮栅上会表现为高压,输出电压值不确定。如果电压值刚好能使该单元的MOS管导通,此时,无论选择哪个字线V,从而影响其他单元的读写,这被称为“单元泄露”。因此,为了让Flash避免过擦除,对擦除的时候会非常小心,从而让擦除时间变长。

  前面提到,快闪存储器的功能很强大,但擦除速度太慢。针对这一问题,Wolfe Yu介绍了世健代理的Microchip旗下SST发明的一种全新超级快闪存储SuperFlash?技术。

  在SuperFlash闪存中,控制栅被分成两部分,只覆盖一部分浮栅,它可以直接控制流入漏极的电流。

  过度擦除留下的正电荷会产生单元泄漏路径,导致闪存无法正确读取数据。对于SuperFlash闪存来说,由于控制栅直接管理漏极边缘,过度擦除无法使浮栅的泄漏路径的达到漏极。所以,SuperFlash闪存不会考虑过度擦除问题,相对来说,擦除时间就会短很多。

  随机存储器,可以随时随地读写数据,读写方便,操作灵活。但是,RAM存在数据易失性的缺点。RAM主要分为动态随机存储器DRAM和静态存储器SRAM两大类。

  动态随机存取存储器(Dynamic Random Access Memory,DRAM)是一种半导体存储器,主要的作用原理是利用电容内存储电荷来代表一个二进制比特(bit)。由于在现实中晶体管会有漏电电流的现象,导致电容上所存储的电荷数量无法判别数据,从而造成数据毁损,因此DRAM需要周期性地充电。由于这种定时刷新的特性,因此被称为“动态”存储器。

  静态随机存取存储器(Static Random Access Memory,SRAM)是在静态触发器的基础上构成,靠触发器的自保功能存储数据。

  SRAM的存储单元用六只N沟道MOS管组成,其中四个MOS管组成基本RS触发器,用于记忆二进制代码;另外两个做门控开关,控制触发器和位线 SRAM结构示意图

  RS触发器,是最常见的基本数字锁存单元, FPGA的LUT的主要组成部分,结构简单,操作灵活,RS触发器有一个致命的缺陷,容易产生竞争冒险。

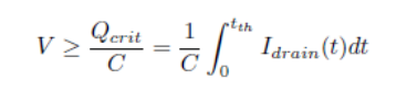
  当上管出现一次电离辐射,通过建模,可以大致算出输出电压脉冲和累积电荷、以及存储电容存在一定关系。

  假设,如果前级输入是逻辑1,输出是逻辑0,存储单元电容为100fF,只要累积电荷达到0.65pC-0.7pC时,输出电压脉冲幅值0.7V,就很容易判断为输出为高电平。在输出端电压脉冲恢复到零电平之前,通过反馈,将逻辑0写入输入,从而造成输出端电压固定在高电平,变成逻辑1,出现粒子翻转效应。这也是我们常说的

  当一个电场被加到铁电晶体时,中心原子顺着电场的方向在晶体里移动。当原子移动时,它通过一个能量壁垒,从而引起电荷击穿。内部电路感应到电荷击穿并设置存储器。移去电场后,中心原子保持不动,存储器的状态也得以保存。铁电存储器不需要定时更新,掉电后数据能够继续保存,速度快而且不容易写坏。

  EERAM的工作原理非常简单,灵感来源于采用后备电池供电的SRAM,它的本质就是不需要外部电池,而是通过一个很小的外部

  当供电重新恢复正常,EEPROM的数据又自动导出到SRAM。而且,你也可以手动刷新数据到EEPROM。

  EERAM的优势包括:自动通过断电可靠地保存数据、无限次写入数据、 低成本方案和 接近零时间的间隔写入。这个器件性能较高,而且价格也没有铁电那么昂贵,非常适合防数据丢失,成本敏感的客户。

  随着5G通信等市场的快速爆发,越来越多的定制产品层出不穷。由于存储器大多都要暴露在十分苛刻的环境中,市场对万能芯片FPGA的需求越来越大。Excepoint世健拥有专业的技术团队,其代理的Microchip 的FLASH型FPGA能有效抵抗辐射从而提高系统的可靠性,快速的SuperFlash和创新的EERAM技术的存储器等解决方案也都非常有特色,能帮助客户降低存储成本,为客户的系统设计需求提供更多选择。关于世健——亚太区领先的

  世健是完整解决方案的供应商,为亚洲电子厂商包括原设备生产商(OEM)、原设计生产商(ODM)和电子制造服务提供商(EMS)提供优质的元器件、工程设计及供应链管理服务。 世健与供应商及电子厂商紧密协作,为新的科技与趋势作出定位,并帮助客户把这些最先进的科技揉合于他们的产品当中。集团分别在新加坡、中国及越南设有研发中心,专业的研发团队不断创造新的解决方案,帮助客户提高成本效益并缩短产品上市时间。世健研发的完整解决方案及参考设计可应用于工业、无线通信及消费电子等领域。世健是新加坡的主板

  上市公司,总部设于新加坡,拥有约650名员工,业务范围已扩展至亚太区40多个城市和地区,遍及新加坡、马来西亚、泰国、越南、中国、印度、印度尼西亚、菲律宾及澳大利亚等十多个国家。世健集团在2020年的年营业额超过11亿美元。1993年,世健在香港设立区域总部——世健系统(香港)有限公司,正式开始发展中国业务。目前,世健在中国拥有十多家分公司和办事处,遍及中国主要大中型城市。凭借专业的研发团队、顶尖的现场应用支持以及丰富的市场经验,世健在中国业内享有领先地位。